

![]() | |
| 颜色 (Color) | 银灰 (Silver) | |
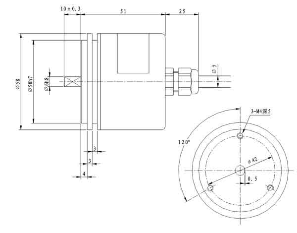
| 轴径 (Shaft diameter) | ∮8/D型切口 (∮8/type D incision) | |
| 脉冲数 (Resolution) | 100P/R-3600P/R | |
| 信号方式 (Output signal) | A,B,Z(-A,-B,-Z);A,B 90°±10° | |
输出方式(Output form) | F:互补推挽 ( F:Push-pull) | Vcc:DC+5V±0.5V,DC10-30V(4.5-26V) |
| E:电压 ( E:Voltage output) | Vcc:DC+5V±0.5V,DC10-30V(4.5-26V) | |
| C:集电极开路 ( C:Open collect) | Vcc:DC+5V±0.5V,DC10-30V(4.5-26V) | |
| L:长线驱动 ( L:Line driver) | Vcc:DC+5V±0.5V | |
| 最高频率响应 (Response frequency) | 100KHz Max | |
| 出线方式 (Entry cable) | 后出 (Rear entry cable) | |
| 启动力矩 (Starting torque) | 3×10-3N.m | |
| 轴向负荷 (Axial) | 10N | |
| 径向负荷 (Radial) | 20N | |
| 最高转速 (Max.rotation speed) | 3000r/min | |
| 工作温度 (Operation temp.range) | -10-+70°C | |
| 防护等级 (Protection) | IP50 | |
| 重量 (不含线) Weight (No cable) | 0.25kg | |