


| 颜色 ( Color) | 银白 (Silver) | |
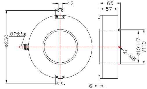
| 孔径 ( Hollow diameter) | ∮101 Max | |
| 脉冲数 ( Resolution) | 100P/R-3600P/R | |
| 信号方式 ( Output signal) | A,B(-A,-B) A,B 90°±10° | |
输出方式 ( Output form) | F:互补推挽 ( F:Push-pull) | Vcc:DC+5V±0.5V,DC10-30V(4.5-26V) |
| E:电压 ( E:Voltage output) | Vcc:DC+5V±0.5V,DC10-30V(4.5-26V) | |
| C:集电极开路 ( C:Open collect) | Vcc:DC+5V±0.5V,DC10-30V(4.5-26V) | |
| L:长线驱动 ( L :Line driver) | Vcc:DC+5V±0.5V | |
| 最高频率响应 ( Response frequency) | 100KHz Max | |
| 出线方式 ( Entry cable) | 侧出 ( Side entry cable) | |
| 启动力矩 ( Starting torque) | 5×10-2N.m | |
| 轴向负荷 ( Axial) | 40N | |
| 径向负荷 ( Radial) | 60N | |
| 最高转速 ( Max.rotation speed) | 3000r/min | |
| 工作温度 ( Operation temp.range) | -10-+70°C | |
| 防护等级 ( Protection) | IP54 | |
| 重量 (不含线) Weight ( No cable) | 1.3kg | |