
|
|
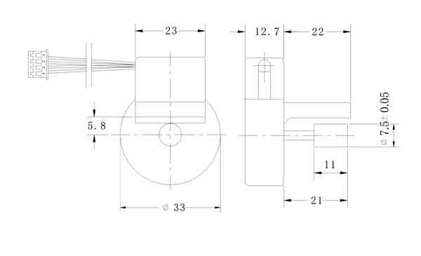
![]() | |
| 颜色 ( Color) | 黑 ( Black) | |
| 轴径 ( Shaft diameter) | ∮7.5胶辊 ( ∮7.5 Gum rolls) | |
| 脉冲数 ( Resolution) | 389/139P/R | |
| 信号方式 ( Output signal) | 外码道 389P/R,内码道 139 P/R | |
输出方式 ( Output form) | F:互补推挽 ( F:Push-pull) | Vcc:DC+5V±0.5V 方波,正弦波 ( Pulse wave,Sine wave) |
| E:电压 ( E:Voltage output) | ||
| C:集电极开路 ( C:Open collect) | ||
| L:长线驱动 ( L:Line driver) | ||
| 最高频率响应 ( Response frequency) | 20KHz Min | |
| 出线方式 ( Entry cable)(Response frequency) | 侧出 ( Side entry cable) | |
| 启动力矩 ( Starting torque) | 5×10-4N.m | |
| 轴向负荷 ( Axial) | 5N | |
| 径向负荷 ( Radial) | 10N | |
| 最高转速 ( Max.rotation speed) | 5000r/min | |
| 工作温度 ( Operation temp.range) | -10-+50°C | |
| 防护等级 ( Protection) | IP50 | |
| 重量 (不含线) Weight ( No cable) | 0.02kg | |