
| |
![]() | |
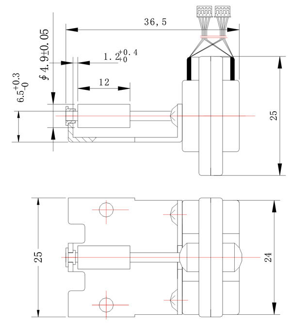
| 颜色 ( Color)轴径 ( Shaft diameter)∮4.9胶辊 ( ∮4.9 Gum rolls)脉冲数 ( Resolution)254/91/R信号方式 ( Output signal)外码道 254P/R,内码道 91P/R输出方式 ( Output form)F:互补推挽 ( F:Push-pull)E:电压 ( E;Voltage output) C:集电极开路 ( C;Open collect)Vcc:DC+5V±0.5V 正弦波 ( Sine wave) L:长线驱动 ( L:Line driver) 最高频率响应 ( Response frequency)20KHz Min出线方式 ( Entry cable)(Response frequency)侧出 ( Side entry cable)启动力矩 ( Starting torque)5×10-4N.m轴向负荷 ( Axial)5N径向负荷 ( Radial)10N最高转速 ( Max.rotation speed) 5000r/min工作温度 ( Operation temp.range) -10-+50°C防护等级 ( Protection) IP50重量 (不含线) Weight ( No cable) 0.015kg | |